Chinese | English
Tel:0577-62373133
Phone:13868703133
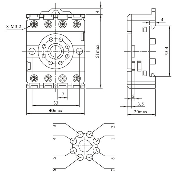
Relay socket
The last:10F-2Z-C1 The next:157F-2Z-A1
Contact us
To know more about our details, please call
0577-62373133
Or give us a message
Feedback
see the mobile site